 |
山东淄博博山伟硕减速机械厂
联系人:吕经理 赵经理
电话/传真:0533-4687498 4683998
手机:13853323117
业务咨询:15966955634 赵勇
邮箱:891802247@qq.com
网址:www.weishuojiansujixie.com
地址:山东省淄博博山经济开发区 |
|
| 您现在的位置:山东淄博博山伟硕减速机械厂 > 关于我们 |
| 产品简介 |
|

外形尺寸装配形式

| 技术参数 |
型号 |
中心距 |
中心高
HO |
最大外形尺寸 |
轴端尺寸 |
L1 |
L2 |
L3 |
a |
a1 |
a2 |
L |
B |
H |
高速轴 |
低速轴 |
B1 |
B2 |
B3 |
ZQ
ZQH
ZQSH |
250 |
250 |
100 |
150 |
160-1 |
540 |
230 |
325 |
200 |
220 |
164.5 |
345 |
101 |
- |
350 |
350 |
150 |
200 |
200-1 |
730 |
290 |
405 |
260 |
250/(270) |
214 |
470 |
132 |
- |
400 |
400 |
150 |
250 |
250-1 |
826 |
310 |
490 |
270 |
300 |
234 |
490 |
133 |
- |
500 |
500 |
200 |
300 |
300-1.5 |
986 |
350 |
590 |
330 |
325/(350) |
270 |
620 |
148 |
- |
650 |
650 |
250 |
400 |
320-1.5 |
1278 |
470 |
700 |
430 |
430 |
342 |
830 |
183 |
495 |
750 |
750 |
300 |
450 |
320-1.5 |
1448 |
510 |
745 |
450 |
450 |
362 |
1020 |
207 |
620 |
850 |
850 |
350 |
500 |
400-1.5 |
1632 |
580 |
875 |
510 |
525 |
403 |
1100 |
236 |
610 |
1000 |
1000 |
400 |
600 |
400-1.5 |
1896 |
660 |
965 |
550 |
605 |
507 |
1350 |
257 |
870 |
|
|
型号 |
B4 |
H1 |
δ |
安装尺寸 |
惰轮部分 |
最大重量
(公斤) |
C |
C1 |
孔距 |
孔径d |
孔数n |
S1 |
S2 |
ad |
hd |
md |
Zd2 |
ZQ
ZQH
ZQSH |
250 |
- |
- |
20 |
60 |
28 |
235 |
190 |
17 |
4 |
- |
- |
- |
- |
100 |
350 |
- |
- |
25 |
100 |
40 |
310 |
250 |
17 |
4 |
- |
- |
- |
- |
200 |
400 |
- |
- |
25 |
110 |
80 |
370 |
270 |
17 |
4 |
- |
- |
- |
- |
250 |
500 |
- |
- |
25 |
130 |
80 |
240 |
310 |
17 |
6 |
216 |
30 |
4 |
68 |
390 |
650 |
318 |
95 |
35 |
160 |
85 |
215 |
410 |
25 |
8 |
276 |
50 |
4 |
69 |
880 |
750 |
362 |
130 |
35 |
155 |
55 |
275 |
450 |
25 |
8 |
- |
- |
- |
- |
1100 |
850 |
418 |
105 |
40 |
155 |
75 |
300 |
520 |
32 |
8 |
272 |
30 |
4 |
73 |
1500 |
1000 |
478 |
200 |
40 |
200 |
100 |
350 |
590 |
32 |
8 |
- |
- |
- |
- |
2230 |
|
注:①括号尺寸只用于Z型加粗单伸轴器(见表5),且尽可能不用。(如粗单伸轴端仅适用于ZQH、ZQSH)
②JZQ与ZQ(ZQH、ZQSH)仅出轴键槽不同见下表,其它尺寸均同。
|
规格 |
250 |
350 |
400 |
500 |
650 |
750 |
850 |
1000 |
键宽b2 |
JZQ型 |
18(8) |
18(8) |
28(8) |
28(8) |
36(10) |
36(10) |
36(12.8) |
40(3.5) |
(键深t) |
ZQ型 |
16(6.5) |
16(6.5) |
24(9) |
24(9) |
32(11.5) |
32(11.5) |
36(12.8) |
40(13.5) |
|
| JZQ、ZQ、ZQH减速机实际传动比 |
传动比代号
公称传动比
型 号 |
1 |
2 |
3 |
4 |
5 |
6 |
7 |
8 |
9 |
50 |
40 |
31.5 |
25 |
20 |
16 |
12.5 |
10 |
8 |
JZQ250-1000
ZQ250-1000 |
48.57 |
40.17 |
31.50 |
23.34 |
20.49 |
15.75 |
12.64 |
10.35 |
8.230 |
ZQSH250-1000 |
51.50 |
39.00 |
32.18 |
25.43 |
19.80 |
16.12 |
12.13 |
9.760 |
7.790 |
ZQH250、350、400、500 |
51.71 |
39.23 |
30.75 |
24.42 |
19.99 |
16.46 |
12.53 |
10.30 |
8.205 |
ZQH650 |
48.78 |
40.32 |
30.86 |
24.51 |
20.06 |
15.92 |
12.12 |
9.960 |
7.937 |
ZQH750 |
49.78 |
41.15 |
31.20 |
24.78 |
20.28 |
16.02 |
12.19 |
10.02 |
7.983 |
ZQH850 |
48.47 |
39.38 |
30.52 |
24.35 |
20.00 |
15.59 |
12.73 |
9.863 |
8.077 |
ZQH1000 |
50.66 |
40.63 |
31.72 |
25.02 |
19.43 |
15.89 |
12.38 |
10.26 |
8.043 |
|
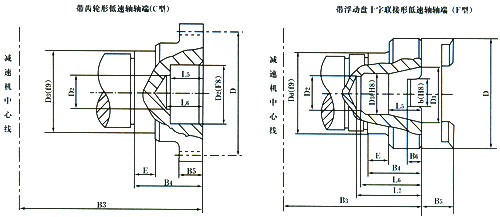
轴端型式

型号 |
高速轴端 |
低速轴端 |
Z型 |
CA型 |
CB型 |
d1 |
I1 |
I2 |
B1 |
d2min |
b1 |
t1 |
d3 |
I3 |
I4 |
B2 |
b2 |
t2 |
m |
Z |
D |
D1 |
D2 |
D3 |
B3 |
B4 |
B5 |
E |
I5 |
I6 |
md |
Zd1 |
Dd |
Bd |
E1 |
E2 |
ZQ
JZQ
ZQH
ZQSH |
250 |
30 |
60 |
120 |
200 |
55 |
8 |
16.5 |
55 |
85 |
135 |
220 |
16 |
58.5 |
3 |
40 |
120 |
65 |
40 |
100 |
164.5 |
154.5 |
20 |
24.5 |
35 |
40 |
- |
- |
- |
- |
- |
- |
350 |
40 |
85 |
150 |
260 |
75 |
12 |
21.5 |
55 |
85 |
165 |
250 |
16 |
58.5 |
3 |
48 |
144 |
90 |
40 |
110 |
214 |
189.5 |
25 |
27 |
45 |
60 |
- |
- |
- |
- |
- |
- |
(65) |
(105) |
(270) |
(18) |
(68.9) |
400 |
40 |
85 |
160 |
270 |
75 |
12 |
21.5 |
80 |
125 |
175 |
300 |
24 |
85 |
3 |
56 |
168 |
90 |
40 |
140 |
234 |
207.5 |
25 |
35 |
45 |
60 |
- |
- |
- |
- |
- |
- |
(95) |
(28) |
(100.7) |
500 |
50 |
85 |
220 |
330 |
85 |
16 |
28 |
80 |
125 |
200 |
325 |
24 |
85 |
4 |
56 |
224 |
120 |
40 |
170 |
270 |
238.5 |
35 |
25 |
50 |
75 |
4 |
40 |
169 |
15 |
26 |
16 |
(95) |
(145) |
(205) |
(350) |
(28) |
(100.7) |
650 |
60 |
110 |
290 |
430 |
110 |
18 |
32.5 |
110 |
165 |
265 |
430 |
32 |
116.5 |
6 |
56 |
336 |
170 |
45 |
260 |
342 |
310 |
40 |
32 |
68 |
95 |
4 |
69 |
276 |
15 |
35 |
35 |
(125) |
(36) |
(132.2) |
750 |
60 |
110 |
310 |
450 |
110 |
18 |
32.5 |
110 |
165 |
285 |
450 |
32 |
116.5 |
6 |
56 |
336 |
170 |
45 |
260 |
362 |
330 |
40 |
32 |
68 |
95 |
- |
- |
- |
- |
- |
- |
850 |
90 |
135 |
340 |
510 |
150 |
24 |
49 |
130 |
200 |
325 |
525 |
36 |
137.2 |
8 |
54 |
432 |
200 |
105 |
260 |
403 |
363 |
50 |
22 |
78 |
100 |
4 |
63 |
252 |
14 |
30 |
22 |
1000 |
90 |
135 |
380 |
550 |
150 |
24 |
49 |
150 |
240 |
365 |
605 |
40 |
158.5 |
10 |
48 |
480 |
200 |
105 |
320 |
507 |
442 |
60 |
45 |
98 |
126 |
- |
- |
- |
- |
- |
- |
|
| 注:括号内尺寸只用于Z加粗单伸轴端,且尽可能不用。(如粗单伸轴端仅适用于ZQH、ZQSH系列) |
|
型号 |
低速轴轴端 |
C型 |
mm |
Z |
D |
D1 |
D2 |
D3 |
B3 |
B4 |
B5 |
E |
L5 |
L6 |
ZQ
JZQ
ZQH
ZQSH |
250 |
3 |
40 |
120 |
65 |
40 |
85 |
164.5 |
66.5 |
20 |
27 |
35 |
40 |
350 |
3 |
48 |
144 |
65 |
40 |
90 |
202 |
74 |
25 |
22 |
35 |
40 |
400 |
3 |
56 |
168 |
80 |
50 |
100 |
220 |
82 |
25 |
22 |
40 |
50 |
500 |
4 |
56 |
224 |
100 |
65 |
115 |
256 |
98 |
35 |
22 |
45 |
58 |
650 |
6 |
56 |
336 |
140 |
85 |
145 |
330 |
127.5 |
40 |
37.5 |
55 |
68 |
750 |
6 |
56 |
336 |
140 |
85 |
145 |
350 |
126 |
40 |
36 |
55 |
68 |
850 |
8 |
54 |
432 |
170 |
100 |
165 |
388 |
127.5 |
50 |
37.5 |
65 |
80 |
1000 |
10 |
48 |
480 |
180 |
100 |
205 |
430 |
126 |
60 |
31 |
75 |
100 |
|
|
|
|
|